Esquemas de los planos
Tipos de controladores
| Número de pieza | 3SDEXG103A (Motor del sensor BT-30 AIS)-Almacén del lado izquierdo |
|---|---|
| (T a T) Duración | 1.3~1.5seg (2~3kg) |
| Ángulos de inclinación de la herramienta | 60°~90° (según los requerimientos del cliente) |
| Cambio de recorrido de la cuchilla de tracción | 85mm-MAX (Podemos personalizar los recorridos según los diferentes tipos de portaherramientas) |
| Carga máxima | 4kg (Please contact the DEX sales team for more details) |
| Especificaciones de la señal | Decodificador |
| Potencia de fuerza motriz | 1/2HP~3/4HP |
| Peso del producto | 100kg |
| Precisión |
Precisión de superposición 4" Precisión horizontal 0.2mm |
| Características |
El AIS Control Inteligente está equipado con múltiples modos de control, logrando una mayor flexibilidad. Se puede integrar un motor sensor para el control del almacén de herramientas. Una sola unidad controla tanto el ATC como el almacén. |
| Número de pieza | 31DEXG003A(BT-30 Semi-Systematic APB)-Magazine on the left side |
|---|---|
| Intervalo de tiempo para la cortadora | Please refer to the A301 speed ratio loading table |
| Ángulos de inclinación de la herramienta | 60°~90°(según los requerimientos del cliente) |
| Cambio de recorrido de la cuchilla de tracción | 85mm-MAX (Podemos personalizar los recorridos según los diferentes tipos de portaherramientas) |
| Carga máxima | 4kg |
| Especificaciones de la señal | Decodificador |
| Potencia de fuerza motriz | 1/3HP |
| Peso del producto | 100kg |
| Precisión |
Precisión de superposición 4" Precisión horizontal 0.2mm |
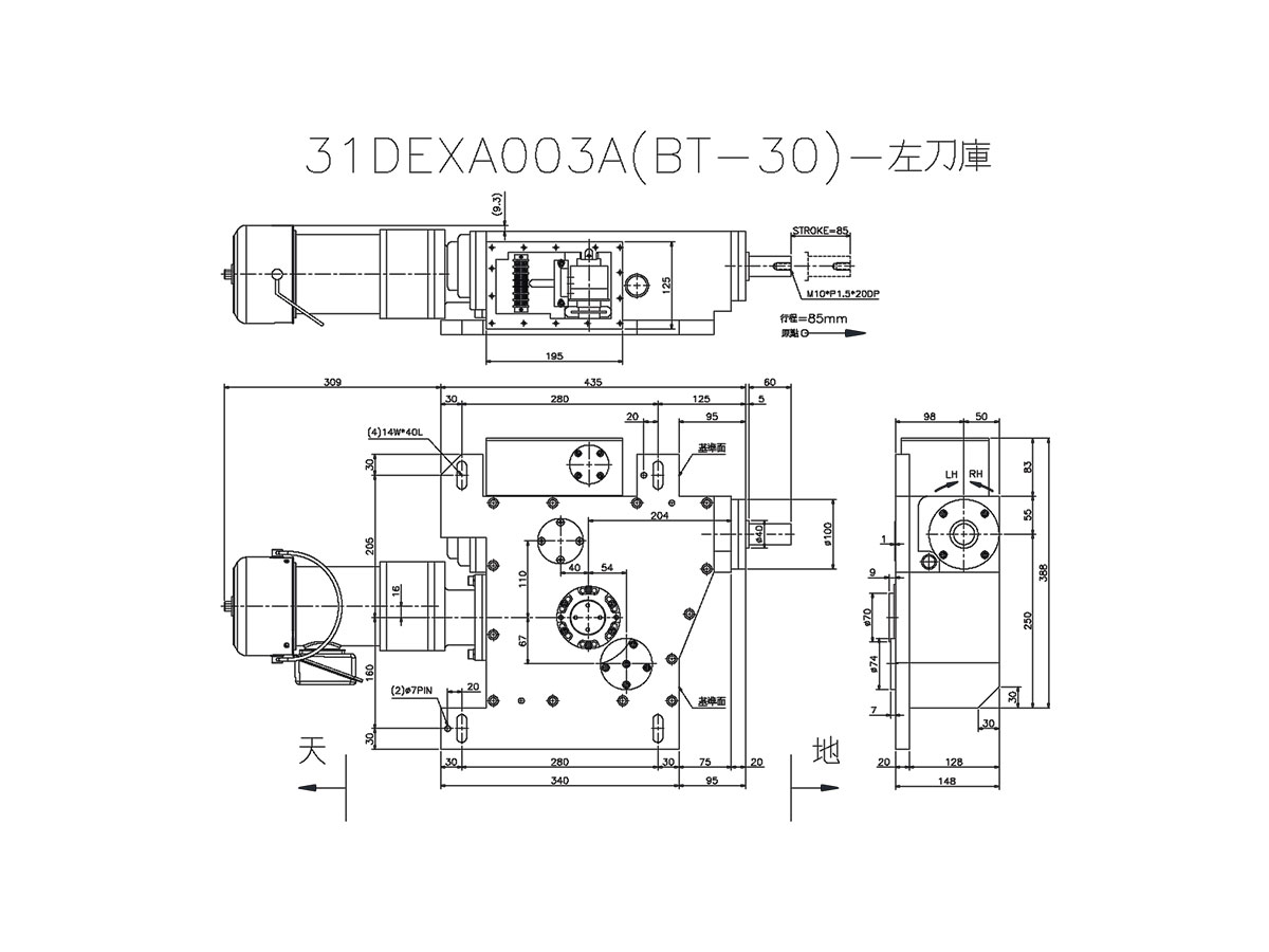
| Número de pieza | 31DEXA003A(BT-30)-Magazine on the left side |
|---|---|
| Intervalo de tiempo para la cortadora | Please refer to the A301 speed ratio loading table |
| Ángulos de inclinación de la herramienta | 60°~90°(según los requerimientos del cliente) |
| Cambio de recorrido de la cuchilla de tracción | 85mm-MAX (Podemos personalizar los recorridos según los diferentes tipos de portaherramientas) |
| Carga máxima | 4kg |
| Especificaciones de la señal | Interruptor de proximidad PNP-NOx3~4 |
| Potencia de fuerza motriz | 1/3HP |
| Peso del producto | 100kg |
| Precisión |
Precisión de superposición 4" Precisión horizontal 0.2mm |
Diagrama de carga instantánea A301
Distancia del brazo de cambio entre herramienta y herramienta / referencia del peso del brazo de la herramienta
| Peso de la herramienta Carga unilateral de la herramienta |
Frecuencia del motor | Compatible con Motores de 1/3HP |
Intervalo de tiempo ATC Para el cortador |
|---|---|---|---|
| 1.5Kgx2 | 50Hz | 1:8 | 0.99 sec |
| 60Hz | 1:8 | 0.84 sec | |
| 2Kgx2 | 50Hz | 1:8 | 0.99 sec |
| 60Hz | 1:8 | 0.84 sec | |
| 2.5Kgx2 | 50Hz | 1:8 | 0.99 sec |
| 60Hz | 1:8 | 0.84 sec | |
| 3Kgx2 | 50Hz | 1:8 | 0.99 sec |
| 60Hz | 1:8 | 0.84 sec | |
| 3.5Kgx2 | 50Hz | 1:8 | 0.99 sec |
| 60Hz | 1:10 | 1.05 sec | |
| 4Kgx2 | 50Hz | 1:8 | 0.99 sec |
| 60Hz | 1:10 | 1.05 sec |
| Peso de la herramienta Carga unilateral de la herramienta |
Frecuencia del motor | Compatible con Motores de 1/3HP |
Intervalo de tiempo ATC Para el cortador |
|---|---|---|---|
| 1.5Kgx2 | 50Hz | 1:8 | 0.99 sec |
| 60Hz | 1:8 | 0.84 sec | |
| 2Kgx2 | 50Hz | 1:8 | 0.99 sec |
| 60Hz | 1:8 | 0.84 sec | |
| 2.5Kgx2 | 50Hz | 1:8 | 0.99 sec |
| 60Hz | 1:8 | 0.84 sec | |
| 3Kgx2 | 50Hz | 1:8 | 0.99 sec |
| 60Hz | 1:8 | 1.05 sec | |
| 3.5Kgx2 | 50Hz | 1:8 | 0.99 sec |
| 60Hz | 1:10 | 1.05 sec | |
| 4Kgx2 | 50Hz | 1:8 | 0.99 sec |
| 60Hz | 1:10 | 1.05 sec |
| Peso de la herramienta Carga unilateral de la herramienta |
Frecuencia del motor | Compatible con Motores de 1/3HP |
Intervalo de tiempo ATC Para el cortador |
|---|---|---|---|
| 1.5Kgx2 | 50Hz | 1:8 | 0.99 sec |
| 60Hz | 1:8 | 0.84 sec | |
| 2Kgx2 | 50Hz | 1:8 | 0.99 sec |
| 60Hz | 1:8 | 0.84 sec | |
| 2.5Kgx2 | 50Hz | 1:8 | 0.99 sec |
| 60Hz | 1:10 | 1.05 sec | |
| 3Kgx2 | 50Hz | 1:8 | 0.99 sec |
| 60Hz | 1:10 | 1.05 sec | |
| 3.5Kgx2 | 50Hz | 1:10 | 1.24 sec |
| 60Hz | 1:10 | 1.05 sec | |
| 4Kgx2 | 50Hz | 1:10 | 1.24 sec |
| 60Hz | 1:12 | 1.25 sec |
| Peso de la herramienta Carga unilateral de la herramienta |
Frecuencia del motor | Compatible con Motores de 1/3HP |
Intervalo de tiempo ATC Para el cortador |
|---|---|---|---|
| 1.5Kgx2 | 50Hz | 1:8 | 0.99 sec |
| 60Hz | 1:8 | 0.84 sec | |
| 2Kgx2 | 50Hz | 1:8 | 0.99 sec |
| 60Hz | 1:10 | 1.05 sec | |
| 2.5Kgx2 | 50Hz | 1:8 | 0.99 sec |
| 60Hz | 1:10 | 1.05 sec | |
| 3Kgx2 | 50Hz | 1:10 | 1.24 sec |
| 60Hz | 1:10 | 1.05 sec | |
| 3.5Kgx2 | 50Hz | 1:10 | 1.24 sec |
| 60Hz | 1:12 | 1.25 sec | |
| 4Kgx2 | 50Hz | 1:10 | 1.24 sec |
| 60Hz | 1:12 | 1.25 sec |
| Peso de la herramienta Carga unilateral de la herramienta |
Frecuencia del motor | Compatible con Motores de 1/3HP |
Intervalo de tiempo ATC Para el cortador |
|---|---|---|---|
| 1.5Kgx2 | 50Hz | 1:8 | 0.99 sec |
| 60Hz | 1:8 | 0.84 sec | |
| 2Kgx2 | 50Hz | 1:8 | 0.99 sec |
| 60Hz | 1:10 | 1.05 sec | |
| 2.5Kgx2 | 50Hz | 1:10 | 1.24 sec |
| 60Hz | 1:10 | 1.05 sec | |
| 3Kgx2 | 50Hz | 1:10 | 1.24 sec |
| 60Hz | 1:12 | 1.25 sec | |
| 3.5Kgx2 | 50Hz | 1:10 | 1.24 sec |
| 60Hz | 1:12 | 1.25 sec | |
| 4Kgx2 | 50Hz | 1:10 | 1.24 sec |
| 60Hz | 1:12 | 1.25 sec |
| Peso de la herramienta Carga unilateral de la herramienta |
Frecuencia del motor | Compatible con Motores de 1/3HP |
Intervalo de tiempo ATC Para el cortador |
|---|---|---|---|
| 1.5Kgx2 | 50Hz | 1:8 | 0.99 sec |
| 60Hz | 1:10 | 1.05 sec | |
| 2Kgx2 | 50Hz | 1:10 | 1.24 sec |
| 60Hz | 1:10 | 1.05 sec | |
| 2.5Kgx2 | 50Hz | 1:10 | 1.24 sec |
| 60Hz | 1:12 | 1.25 sec | |
| 3Kgx2 | 50Hz | 1:10 | 1.24 sec |
| 60Hz | 1:12 | 1.25 sec | |
| 3.5Kgx2 | 50Hz | 1:12 | 1.49 sec |
| 60Hz | 1:15 | 1.57 sec | |
| 4Kgx2 | 50Hz | 1:12 | 1.49 sec |
| 60Hz | 1:15 | 1.57 sec |
| Peso de la herramienta Carga unilateral de la herramienta |
Frecuencia del motor | Compatible con Motores de 1/3HP |
Intervalo de tiempo ATC Para el cortador |
|---|---|---|---|
| 1.5Kgx2 | 50Hz | 1:10 | 1.24 sec |
| 60Hz | 1:10 | 1.05 sec | |
| 2Kgx2 | 50Hz | 1:10 | 1.24 sec |
| 60Hz | 1:12 | 1.25 sec | |
| 2.5Kgx2 | 50Hz | 1:10 | 1.24 sec |
| 60Hz | 1:12 | 1.25 sec | |
| 3Kgx2 | 50Hz | 1:12 | 1.49 sec |
| 60Hz | 1:15 | 1.57 sec | |
| 3.5Kgx2 | 50Hz | 1:12 | 1.49 sec |
| 60Hz | 1:15 | 1.57 sec | |
| 4Kgx2 | 50Hz | 1:12 | 1.49 sec |
| 60Hz | 1:15 | 1.57 sec |
Distancia del brazo de cambio entre herramienta y herramienta / referencia del peso del brazo de la herramienta
| Peso de la herramienta Carga unilateral de la herramienta |
Frecuencia del motor | Compatible con Motores de 1/3HP |
Intervalo de tiempo ATC Para el cortador |
|---|---|---|---|
| 1.5Kg | 50Hz | 1:8 | 0.99 sec |
| 60Hz | 1:8 | 0.84 sec | |
| 2Kg | 50Hz | 1:8 | 0.99 sec |
| 60Hz | 1:8 | 0.84 sec | |
| 2.5Kg | 50Hz | 1:8 | 0.99 sec |
| 60Hz | 1:8 | 0.84 sec | |
| 3Kg | 50Hz | 1:8 | 0.99 sec |
| 60Hz | 1:8 | 0.84 sec | |
| 3.5Kg | 50Hz | 1:8 | 0.99 sec |
| 60Hz | 1:8 | 0.84 sec | |
| 4Kg | 50Hz | 1:8 | 0.99 sec |
| 60Hz | 1:8 | 0.84 sec |
| Peso de la herramienta Carga unilateral de la herramienta |
Frecuencia del motor | Compatible con Motores de 1/3HP |
Intervalo de tiempo ATC Para el cortador |
|---|---|---|---|
| 1.5Kg | 50Hz | 1:8 | 0.99 sec |
| 60Hz | 1:8 | 0.84 sec | |
| 2Kg | 50Hz | 1:8 | 0.99 sec |
| 60Hz | 1:8 | 0.84 sec | |
| 2.5Kg | 50Hz | 1:8 | 0.99 sec |
| 60Hz | 1:8 | 0.84 sec | |
| 3Kg | 50Hz | 1:8 | 0.99 sec |
| 60Hz | 1:8 | 0.84 sec | |
| 3.5Kg | 50Hz | 1:8 | 0.99 sec |
| 60Hz | 1:8 | 0.84 sec | |
| 4Kg | 50Hz | 1:8 | 0.99 sec |
| 60Hz | 1:8 | 0.84 sec |
| Peso de la herramienta Carga unilateral de la herramienta |
Frecuencia del motor | Compatible con Motores de 1/3HP |
Intervalo de tiempo ATC Para el cortador |
|---|---|---|---|
| 1.5Kg | 50Hz | 1:8 | 0.99 sec |
| 60Hz | 1:8 | 0.84 sec | |
| 2Kg | 50Hz | 1:8 | 0.99 sec |
| 60Hz | 1:8 | 0.84 sec | |
| 2.5Kg | 50Hz | 1:8 | 0.99 sec |
| 60Hz | 1:8 | 0.84 sec | |
| 3Kg | 50Hz | 1:8 | 0.99 sec |
| 60Hz | 1:8 | 0.84 sec | |
| 3.5Kg | 50Hz | 1:8 | 0.99 sec |
| 60Hz | 1:10 | 1.05 sec | |
| 4Kg | 50Hz | 1:8 | 0.99 sec |
| 60Hz | 1:10 | 1.05 sec |
| Peso de la herramienta Carga unilateral de la herramienta |
Frecuencia del motor | Compatible con Motores de 1/3HP |
Intervalo de tiempo ATC Para el cortador |
|---|---|---|---|
| 1.5Kg | 50Hz | 1:8 | 0.99 sec |
| 60Hz | 1:8 | 0.84 sec | |
| 2Kg | 50Hz | 1:8 | 0.99 sec |
| 60Hz | 1:8 | 0.84 sec | |
| 2.5Kg | 50Hz | 1:8 | 0.99 sec |
| 60Hz | 1:8 | 0.84 sec | |
| 3Kg | 50Hz | 1:8 | 0.99 sec |
| 60Hz | 1:10 | 1.05 sec | |
| 3.5Kg | 50Hz | 1:8 | 0.99 sec |
| 60Hz | 1:10 | 1.05 sec | |
| 4Kg | 50Hz | 1:8 | 0.99 sec |
| 60Hz | 1:10 | 1.05 sec |
| Peso de la herramienta Carga unilateral de la herramienta |
Frecuencia del motor | Compatible con Motores de 1/3HP |
Intervalo de tiempo ATC Para el cortador |
|---|---|---|---|
| 1.5Kg | 50Hz | 1:8 | 0.99 sec |
| 60Hz | 1:8 | 0.84 sec | |
| 2Kg | 50Hz | 1:8 | 0.99 sec |
| 60Hz | 1:8 | 0.84 sec | |
| 2.5Kg | 50Hz | 1:8 | 0.99 sec |
| 60Hz | 1:10 | 1.05 sec | |
| 3Kg | 50Hz | 1:8 | 0.99 sec |
| 60Hz | 1:10 | 1.05 sec | |
| 3.5Kg | 50Hz | 1:8 | 0.99 sec |
| 60Hz | 1:10 | 1.05 sec | |
| 4Kg | 50Hz | 1:10 | 1.24 sec |
| 60Hz | 1:10 | 1.05 sec |
| Peso de la herramienta Carga unilateral de la herramienta |
Frecuencia del motor | Compatible con Motores de 1/3HP |
Intervalo de tiempo ATC Para el cortador |
|---|---|---|---|
| 1.5Kg | 50Hz | 1:8 | 0.99 sec |
| 60Hz | 1:8 | 0.84 sec | |
| 2Kg | 50Hz | 1:8 | 0.99 sec |
| 60Hz | 1:10 | 1.05 sec | |
| 2.5Kg | 50Hz | 1:8 | 0.99 sec |
| 60Hz | 1:10 | 1.05 sec | |
| 3Kg | 50Hz | 1:8 | 0.99 sec |
| 60Hz | 1:10 | 1.05 sec | |
| 3.5Kg | 50Hz | 1:10 | 1.24 sec |
| 60Hz | 1:10 | 1.05 sec | |
| 4Kg | 50Hz | 1:10 | 1.24 sec |
| 60Hz | 1:12 | 1.25 sec |
| Peso de la herramienta Carga unilateral de la herramienta |
Frecuencia del motor | Compatible con Motores de 1/3HP |
Intervalo de tiempo ATC Para el cortador |
|---|---|---|---|
| 1.5Kg | 50Hz | 1:8 | 0.99 sec |
| 60Hz | 1:10 | 1.05 sec | |
| 2Kg | 50Hz | 1:8 | 0.99 sec |
| 60Hz | 1:10 | 1.05 sec | |
| 2.5Kg | 50Hz | 1:10 | 1.24 sec |
| 60Hz | 1:10 | 1.05 sec | |
| 3Kg | 50Hz | 1:10 | 1.24 sec |
| 60Hz | 1:12 | 1.25 sec | |
| 3.5Kg | 50Hz | 1:10 | 1.24 sec |
| 60Hz | 1:12 | 1.25 sec | |
| 4Kg | 50Hz | 1:10 | 1.24 sec |
| 60Hz | 1:12 | 1.25 sec |
Serie BT30 Productos relacionados
¿Necesitas consultar?
Si tiene alguna pregunta, utilice el formulario de contacto y póngase en contacto con nosotros.