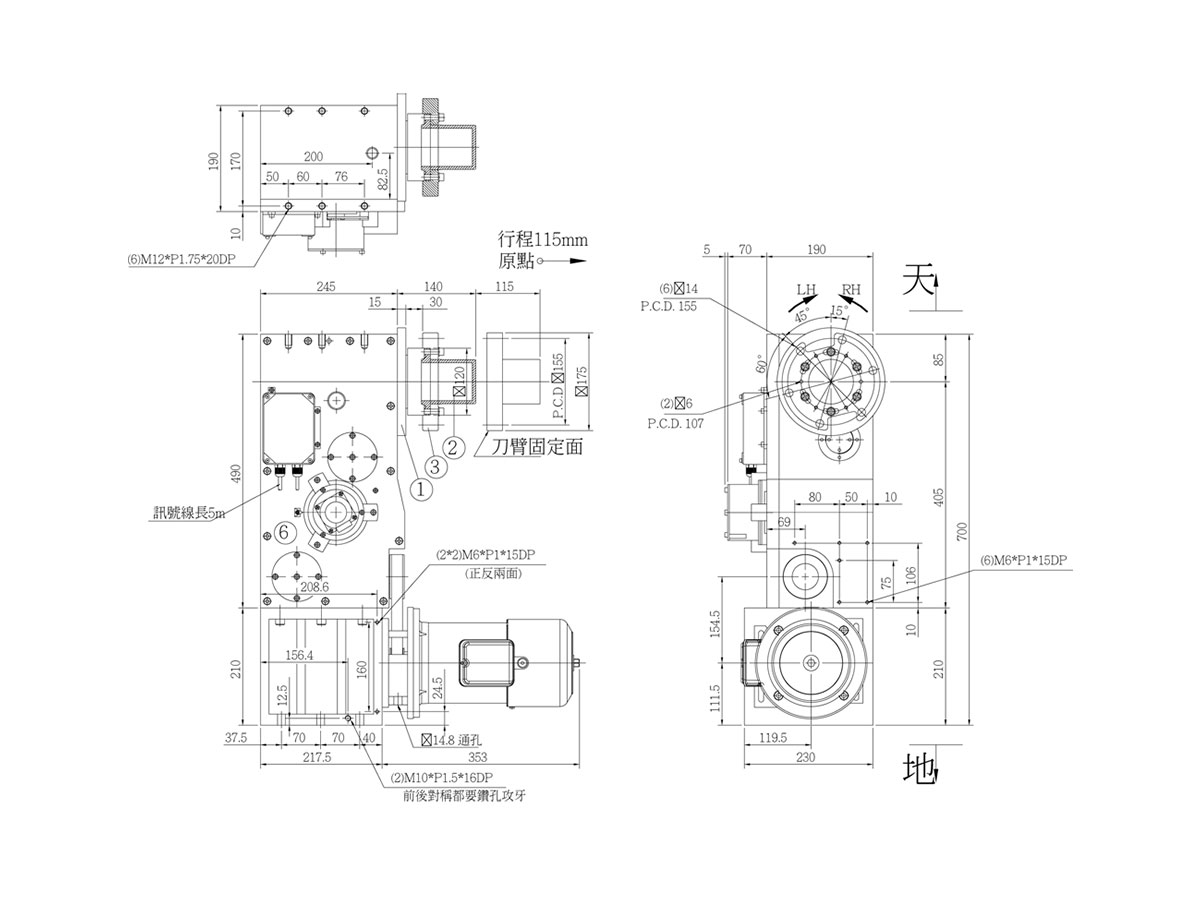
外型图
控制类型
| 型号 | 45DEXA132C (BT-40) 卧式 |
|---|---|
| 换刀时间 | 参考A405速比负载综合表表 |
| 扣刀角度 | 60°~90° (依客戶需求) |
| 拉刀行程 | 115mm-MAX (可依不同型式刀杆制作行程) |
| 最大负载 | 8 kg |
| 讯号规格 | 译码器 |
| 驅動馬達 | 1 HP |
| 制品重量 | 180kg (含油) |
| 精度 |
重覆精度 3" 水平精度 0.2 mm |
| 型号 | 45DEXA132C (BT-40) 卧式 |
|---|---|
| 换刀时间 | 参考A405速比负载综合表 |
| 扣刀角度 | 60°~90° (依客戶需求) |
| 拉刀行程 | 115mm-MAX (可依不同型式刀杆制作行程) |
| 最大负载 | 8 kg |
| 讯号规格 | 译码器 |
| 驅動馬達 | 1 HP |
| 制品重量 | 180kg (含油) |
| 精度 |
重覆精度 3" 水平精度 0.2 mm |
| 型号 | 45DEXA132C (BT-40) 卧式 |
|---|---|
| 换刀时间 | 参考A405速比负载综合表 |
| 扣刀角度 | 60°~90° (依客戶需求) |
| 拉刀行程 | 115mm-MAX (可依不同型式刀杆制作行程) |
| 最大负载 | 8 kg |
| 讯号规格 | 近接开关 PNP-NOx3~4 |
| 驅動馬達 | 1 HP |
| 制品重量 | 180kg (含油) |
| 精度 |
重覆精度 3" 水平精度 0.2 mm |
A405速比负载综合表
换刀臂 刀对刀中心距 / 刀臂重量参考
| 刀具重量 / 双边负载 | 马达频率 | 1 HP 适用马达速比 | ATC 换刀时间 |
|---|---|---|---|
| 4Kgx2 | 50Hz | 30:48 | 1.66 sec |
| 60Hz | 30:48 | 1.39 sec | |
| 5Kgx2 | 50Hz | 30:48 | 1.66 sec |
| 60Hz | 30:48 | 1.39 sec | |
| 6Kgx2 | 50Hz | 30:48 | 1.66 sec |
| 60Hz | 30:48 | 1.39 sec | |
| 7Kgx2 | 50Hz | 30:48 | 1.66 sec |
| 60Hz | 30:48 | 1.39 sec | |
| 8Kgx2 | 50Hz | 30:48 | 1.66 sec |
| 60Hz | 30:48 | 1.39 sec |
| 刀具重量 / 双边负载 | 马达频率 | 1 HP 适用马达速比 | ATC 换刀时间 |
|---|---|---|---|
| 4Kgx2 | 50Hz | 30:48 | 1.66 sec |
| 60Hz | 30:48 | 1.39 sec | |
| 5Kgx2 | 50Hz | 30:48 | 1.66 sec |
| 60Hz | 30:48 | 1.39 sec | |
| 6Kgx2 | 50Hz | 30:48 | 1.66 sec |
| 60Hz | 30:48 | 1.39 sec | |
| 7Kgx2 | 50Hz | 30:48 | 1.66 sec |
| 60Hz | 30:48 | 1.39 sec | |
| 8Kgx2 | 50Hz | 30:48 | 1.66 sec |
| 60Hz | 30:48 | 1.39 sec |
| 刀具重量 / 双边负载 | 马达频率 | 1 HP 适用马达速比 | ATC 换刀时间 |
|---|---|---|---|
| 4Kgx2 | 50Hz | 30:48 | 1.66 sec |
| 60Hz | 30:48 | 1.39 sec | |
| 5Kgx2 | 50Hz | 30:48 | 1.66 sec |
| 60Hz | 30:48 | 1.39 sec | |
| 6Kgx2 | 50Hz | 30:48 | 1.66 sec |
| 60Hz | 30:48 | 1.39 sec | |
| 7Kgx2 | 50Hz | 30:48 | 1.66 sec |
| 60Hz | 30:48 | 1.39 sec | |
| 8Kgx2 | 50Hz | 30:48 | 1.66 sec |
| 60Hz | 30:48 | 1.39 sec |
| 刀具重量 / 双边负载 | 马达频率 | 1 HP 适用马达速比 | ATC 换刀时间 |
|---|---|---|---|
| 4Kgx2 | 50Hz | 30:48 | 1.66 sec |
| 60Hz | 30:48 | 1.39 sec | |
| 5Kgx2 | 50Hz | 30:48 | 1.66 sec |
| 60Hz | 30:48 | 1.39 sec | |
| 6Kgx2 | 50Hz | 30:48 | 1.66 sec |
| 60Hz | 30:48 | 1.39 sec | |
| 7Kgx2 | 50Hz | 30:48 | 1.66 sec |
| 60Hz | 30:48 | 1.39 sec | |
| 8Kgx2 | 50Hz | 30:48 | 1.66 sec |
| 60Hz | 27:50 | 1.61 sec |
| 刀具重量 / 双边负载 | 马达频率 | 1 HP 适用马达速比 | ATC 换刀时间 |
|---|---|---|---|
| 4Kgx2 | 50Hz | 30:48 | 1.66 sec |
| 60Hz | 30:48 | 1.39 sec | |
| 5Kgx2 | 50Hz | 30:48 | 1.66 sec |
| 60Hz | 30:48 | 1.39 sec | |
| 6Kgx2 | 50Hz | 30:48 | 1.66 sec |
| 60Hz | 27:50 | 1.61 sec | |
| 7Kgx2 | 50Hz | 30:48 | 1.66 sec |
| 60Hz | 27:50 | 1.61 sec | |
| 8Kgx2 | 50Hz | 30:48 | 1.66 sec |
| 60Hz | 27:50 | 1.61 sec |
| 刀具重量 / 双边负载 | 马达频率 | 1 HP 适用马达速比 | ATC 换刀时间 |
|---|---|---|---|
| 4Kgx2 | 50Hz | 30:48 | 1.66 sec |
| 60Hz | 30:48 | 1.39 sec | |
| 5Kgx2 | 50Hz | 30:48 | 1.66 sec |
| 60Hz | 27:50 | 1.61 sec | |
| 6Kgx2 | 50Hz | 30:48 | 1.66 sec |
| 60Hz | 27:50 | 1.61 sec | |
| 7Kgx2 | 50Hz | 30:48 | 1.66 sec |
| 60Hz | 25:50 | 1.7 sec | |
| 8Kgx2 | 50Hz | 27:50 | 1.92 sec |
| 60Hz | 25:50 | 1.7 sec |
| 刀具重量 / 双边负载 | 马达频率 | 1 HP 适用马达速比 | ATC 换刀时间 |
|---|---|---|---|
| 4Kgx2 | 50Hz | 30:48 | 1.66 sec |
| 60Hz | 27:50 | 1.61 sec | |
| 5Kgx2 | 50Hz | 30:48 | 1.66 sec |
| 60Hz | 27:50 | 1.61 sec | |
| 6Kgx2 | 50Hz | 27:50 | 1.92 sec |
| 60Hz | 25:50 | 1.7 sec | |
| 7Kgx2 | 50Hz | 27:50 | 1.92 sec |
| 60Hz | 25:56 | 1.95 sec | |
| 8Kgx2 | 50Hz | 27:50 | 1.92 sec |
| 60Hz | 25:56 | 1.95 sec |
换刀臂 刀对刀中心距 / 刀臂重量参考
| 刀具重量 / 双边负载 | 马达频率 | 1 HP 适用马达速比 | ATC 换刀时间 |
|---|---|---|---|
| 4Kgx2 | 50Hz | 30:48 | 1.66 sec |
| 60Hz | 25:56 | 1.95 sec | |
| 5Kgx2 | 50Hz | 27:50 | 1.92 sec |
| 60Hz | 25:56 | 1.95 sec | |
| 6Kgx2 | 50Hz | 27:50 | 1.92 sec |
| 60Hz | 25:56 | 1.95 sec | |
| 7Kgx2 | 50Hz | 27:50 | 1.92 sec |
| 60Hz | 25:56 | 1.95 sec | |
| 8Kgx2 | 50Hz | 25:50 | 2.1 sec |
| 刀具重量 / 双边负载 | 马达频率 | 1 HP 适用马达速比 | ATC 换刀时间 |
|---|---|---|---|
| 4Kgx2 | 50Hz | 27:50 | 1.92 sec |
| 60Hz | 25:56 | 1.95 sec | |
| 5Kgx2 | 50Hz | 25:50 | 2.1 sec |
| 60Hz | 25:56 | 1.95 sec | |
| 6Kgx2 | 50Hz | 25:50 | 2.1 sec |
| 7Kgx2 | 50Hz | 25:56 | 2.31 sec |
| 8Kgx2 | 50Hz | 25:56 | 2.31 sec |
| 刀具重量 / 双边负载 | 马达频率 | 1 HP 适用马达速比 | ATC 换刀时间 |
|---|---|---|---|
| 4Kgx2 | 50Hz | 25:50 | 2.1 sec |
| 5Kgx2 | 50Hz | 25:50 | 2.1 sec |
| 6Kgx2 | 50Hz | 25:56 | 2.31 sec |
| 7Kgx2 | 50Hz | 25:56 | 2.31 sec |