外型图
控制类型
| 型号 | 31DEXG004A (BT-30感应伺服系统AIS) - 左刀库 |
|---|---|
| 刀对刀换刀时间 (T to T) | 1.3~1.5 sec (2~3 kg) |
| 扣刀角度 | 60°~90° (依客戶需求) |
| 拉刀行程 | 85mm-MAX (可依不同型式刀杆制作行程) |
| 最大负载 | 4 kg (换刀需求详情请洽询德士业务) |
| 讯号规格 | 译码器 |
| 驱动马力 | 1/2 HP~3/4 HP |
| 制品重量 | 100 kg |
| 精度 |
重覆精度 4" 水平精度 0.2 mm |
| 特色 |
AIS智能控制,增加多种控制选择、大大提升使用弹性。 感应伺服系统可整合控制刀库端,达到单一驱动器控制换刀机构及刀库的效果。 |
| 型号 | 31DEXG003A (BT-30半系统式APB) - 左刀库 |
|---|---|
| 换刀时间 (T to T) | 参考A301速比负载综合表 |
| 扣刀角度 | 60°~90° (依客戶需求) |
| 拉刀行程 | 85mm-MAX (可依不同型式刀杆制作行程) |
| 最大负载 | 4 kg |
| 讯号规格 | 译码器 |
| 驱动马力 | 1/3 HP |
| 制品重量 | 100 kg |
| 精度 |
重覆精度 4" 水平精度 0.2 mm |
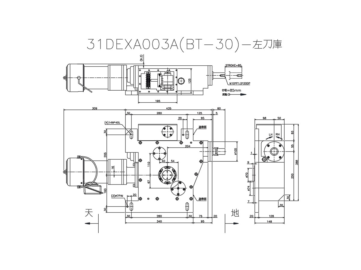
| 型号 | 31DEXA003A (BT-30) - 左刀庫 |
|---|---|
| 换刀时间 | 参考A301速比负载综合表 |
| 扣刀角度 | 60°~90° (依客戶需求) |
| 拉刀行程 | 85mm-MAX (可依不同型式刀杆制作行程) |
| 最大负载 | 4 kg |
| 讯号规格 | 近接开关 PNP-NOx3~4 |
| 驱动马力 | 1/3 HP |
| 制品重量 | 100 kg |
| 精度 |
重覆精度 4" 水平精度 0.2 mm |
A301速比负载综合表
换刀臂 刀对刀中心距 / 刀臂重量参考
| 刀具重量 / 双边负载 | 马达频率 | 1/3 HP 适用马达速比 | ATC 换刀时间 |
|---|---|---|---|
| 1.5Kg x 2 | 50 Hz | 1 : 8 | 0.99 sec |
| 60 Hz | 1 : 8 | 0.84 sec | |
| 2Kg x 2 | 50 Hz | 1 : 8 | 0.99 sec |
| 60 Hz | 1 : 8 | 0.84 sec | |
| 2.5Kg x 2 | 50 Hz | 1 : 8 | 0.99 sec |
| 60 Hz | 1 : 8 | 0.84 sec | |
| 3Kg x 2 | 50 Hz | 1 : 8 | 0.99 sec |
| 60 Hz | 1 : 8 | 0.84 sec | |
| 3.5Kg x 2 | 50 Hz | 1 : 8 | 0.99 sec |
| 60 Hz | 1 : 10 | 1.05 sec | |
| 4Kg x 2 | 50 Hz | 1 : 8 | 0.99 sec |
| 60 Hz | 1 : 10 | 1.05 sec |
| 刀具重量 / 双边负载 | 马达频率 | 1/3 HP 适用马达速比 | ATC 换刀时间 |
|---|---|---|---|
| 1.5Kg x 2 | 50 Hz | 1 : 8 | 0.99 sec |
| 60 Hz | 1 : 8 | 0.84 sec | |
| 2Kg x 2 | 50 Hz | 1 : 8 | 0.99 sec |
| 60 Hz | 1 : 8 | 0.84 sec | |
| 2.5Kg x 2 | 50 Hz | 1 : 8 | 0.99 sec |
| 60 Hz | 1 : 8 | 0.84 sec | |
| 3Kg x 2 | 50 Hz | 1 : 8 | 0.99 sec |
| 60 Hz | 1 : 10 | 1.05 sec | |
| 3.5Kg x 2 | 50 Hz | 1 : 8 | 0.99 sec |
| 60 Hz | 1 : 10 | 1.05 sec | |
| 4Kg x 2 | 50 Hz | 1 : 8 | 0.99 sec |
| 60 Hz | 1 : 10 | 1.05 sec |
| 刀具重量 / 双边负载 | 马达频率 | 1/3 HP 适用马达速比 | ATC 换刀时间 |
|---|---|---|---|
| 1.5Kg x 2 | 50 Hz | 1 : 8 | 0.99 sec |
| 60 Hz | 1 : 8 | 0.84 sec | |
| 2Kg x 2 | 50 Hz | 1 : 8 | 0.99 sec |
| 60 Hz | 1 : 8 | 0.84 sec | |
| 2.5Kg x 2 | 50 Hz | 1 : 8 | 0.99 sec |
| 60 Hz | 1 : 10 | 1.05 sec | |
| 3Kg x 2 | 50 Hz | 1 : 8 | 0.99 sec |
| 60 Hz | 1 : 10 | 1.05 sec | |
| 3.5Kg x 2 | 50 Hz | 1 : 10 | 1.24 sec |
| 60 Hz | 1 : 10 | 1.05 sec | |
| 4Kg x 2 | 50 Hz | 1 : 10 | 1.24 sec |
| 60 Hz | 1 : 12 | 1.25 sec |
| 刀具重量 / 双边负载 | 马达频率 | 1/3 HP 适用马达速比 | ATC 换刀时间 |
|---|---|---|---|
| 1.5Kg x 2 | 50 Hz | 1 : 8 | 0.99 sec |
| 60 Hz | 1 : 8 | 0.84 sec | |
| 2Kg x 2 | 50 Hz | 1 : 8 | 0.99 sec |
| 60 Hz | 1 : 10 | 1.05 sec | |
| 2.5Kg x 2 | 50 Hz | 1 : 8 | 0.99 sec |
| 60 Hz | 1 : 10 | 1.05 sec | |
| 3Kg x 2 | 50 Hz | 1 : 10 | 1.24 sec |
| 60 Hz | 1 : 10 | 1.05 sec | |
| 3.5Kg x 2 | 50 Hz | 1 : 10 | 1.24 sec |
| 60 Hz | 1 : 12 | 1.25 sec | |
| 4Kg x 2 | 50 Hz | 1 : 10 | 1.24 sec |
| 60 Hz | 1 : 12 | 1.25 sec |
| 刀具重量 / 双边负载 | 马达频率 | 1/3 HP 适用马达速比 | ATC 换刀时间 |
|---|---|---|---|
| 1.5Kg x 2 | 50 Hz | 1 : 8 | 0.99 sec |
| 60 Hz | 1 : 8 | 0.84 sec | |
| 2Kg x 2 | 50 Hz | 1 : 8 | 0.99 sec |
| 60 Hz | 1 : 10 | 1.05 sec | |
| 2.5Kg x 2 | 50 Hz | 1 : 10 | 1.24 sec |
| 60 Hz | 1 : 10 | 1.05 sec | |
| 3Kg x 2 | 50 Hz | 1 : 10 | 1.24 sec |
| 60 Hz | 1 : 12 | 1.25 sec | |
| 3.5Kg x 2 | 50 Hz | 1 : 10 | 1.24 sec |
| 60 Hz | 1 : 12 | 1.25 sec | |
| 4Kg x 2 | 50 Hz | 1 : 10 | 1.24 sec |
| 60 Hz | 1 : 12 | 1.25 sec |
| 刀具重量 / 双边负载 | 马达频率 | 1/3 HP 适用马达速比 | ATC 换刀时间 |
|---|---|---|---|
| 1.5Kg x 2 | 50 Hz | 1 : 8 | 0.99 sec |
| 60 Hz | 1 : 10 | 1.05 sec | |
| 2Kg x 2 | 50 Hz | 1 : 10 | 1.24 sec |
| 60 Hz | 1 : 10 | 1.05 sec | |
| 2.5Kg x 2 | 50 Hz | 1 : 10 | 1.24 sec |
| 60 Hz | 1 : 12 | 1.25 sec | |
| 3Kg x 2 | 50 Hz | 1 : 10 | 1.24 sec |
| 60 Hz | 1 : 12 | 1.25 sec | |
| 3.5Kg x 2 | 50 Hz | 1 : 12 | 1.49 sec |
| 60 Hz | 1 : 15 | 1.57 sec | |
| 4Kg x 2 | 50 Hz | 1 : 12 | 1.49 sec |
| 60 Hz | 1 : 15 | 1.57 sec |
| 刀具重量 / 双边负载 | 马达频率 | 1/3 HP 适用马达速比 | ATC 换刀时间 |
|---|---|---|---|
| 1.5Kg x 2 | 50 Hz | 1 : 10 | 1.24 sec |
| 60 Hz | 1 : 10 | 1.05 sec | |
| 2Kg x 2 | 50 Hz | 1 : 10 | 1.24 sec |
| 60 Hz | 1 : 12 | 1.25 sec | |
| 2.5Kg x 2 | 50 Hz | 1 : 10 | 1.24 sec |
| 60 Hz | 1 : 12 | 1.25 sec | |
| 3Kg x 2 | 50 Hz | 1 : 12 | 1.49 sec |
| 60 Hz | 1 : 15 | 1.57 sec | |
| 3.5Kg x 2 | 50 Hz | 1 : 12 | 1.49 sec |
| 60 Hz | 1 : 15 | 1.57 sec | |
| 4Kg x 2 | 50 Hz | 1 : 12 | 1.49 sec |
| 60 Hz | 1 : 15 | 1.57 sec |
换刀臂 刀对刀中心距 / 刀臂重量参考
| 刀具重量 / 双边负载 | 马达频率 | 1/3 HP 适用马达速比 | ATC 换刀时间 |
|---|---|---|---|
| 1.5Kg | 50 Hz | 1 : 8 | 0.99 sec |
| 60 Hz | 1 : 8 | 0.84 sec | |
| 2Kg | 50 Hz | 1 : 8 | 0.99 sec |
| 60 Hz | 1 : 8 | 0.84 sec | |
| 2.5Kg | 50 Hz | 1 : 8 | 0.99 sec |
| 60 Hz | 1 : 8 | 0.84 sec | |
| 3Kg | 50 Hz | 1 : 8 | 0.99 sec |
| 60 Hz | 1 : 8 | 0.84 sec | |
| 3.5Kg | 50 Hz | 1 : 8 | 0.99 sec |
| 60 Hz | 1 : 8 | 0.84 sec | |
| 4Kg | 50 Hz | 1 : 8 | 0.99 sec |
| 60 Hz | 1 : 8 | 0.84 sec |
| 刀具重量 / 双边负载 | 马达频率 | 1/3 HP 适用马达速比 | ATC 换刀时间 |
|---|---|---|---|
| 1.5Kg | 50 Hz | 1 : 8 | 0.99 sec |
| 60 Hz | 1 : 8 | 0.84 sec | |
| 2Kg | 50 Hz | 1 : 8 | 0.99 sec |
| 60 Hz | 1 : 8 | 0.84 sec | |
| 2.5Kg | 50 Hz | 1 : 8 | 0.99 sec |
| 60 Hz | 1 : 8 | 0.84 sec | |
| 3Kg | 50 Hz | 1 : 8 | 0.99 sec |
| 60 Hz | 1 : 8 | 0.84 sec | |
| 3.5Kg | 50 Hz | 1 : 8 | 0.99 sec |
| 60 Hz | 1 : 8 | 0.84 sec | |
| 4Kg | 50 Hz | 1 : 8 | 0.99 sec |
| 60 Hz | 1 : 8 | 0.84 sec |
| 刀具重量 / 双边负载 | 马达频率 | 1/3 HP 适用马达速比 | ATC 换刀时间 |
|---|---|---|---|
| 1.5Kg | 50 Hz | 1 : 8 | 0.99 sec |
| 60 Hz | 1 : 8 | 0.84 sec | |
| 2Kg | 50 Hz | 1 : 8 | 0.99 sec |
| 60 Hz | 1 : 8 | 0.84 sec | |
| 2.5Kg | 50 Hz | 1 : 8 | 0.99 sec |
| 60 Hz | 1 : 8 | 0.84 sec | |
| 3Kg | 50 Hz | 1 : 8 | 0.99 sec |
| 60 Hz | 1 : 8 | 0.84 sec | |
| 3.5Kg | 50 Hz | 1 : 8 | 0.99 sec |
| 60 Hz | 1 : 10 | 1.05 sec | |
| 4Kg | 50 Hz | 1 : 8 | 0.99 sec |
| 60 Hz | 1 : 10 | 1.05 sec |
| 刀具重量 / 双边负载 | 马达频率 | 1/3 HP 适用马达速比 | ATC 换刀时间 |
|---|---|---|---|
| 1.5Kg | 50 Hz | 1 : 8 | 0.99 sec |
| 60 Hz | 1 : 8 | 0.84 sec | |
| 2Kg | 50 Hz | 1 : 8 | 0.99 sec |
| 60 Hz | 1 : 8 | 0.84 sec | |
| 2.5Kg | 50 Hz | 1 : 8 | 0.99 sec |
| 60 Hz | 1 : 8 | 0.84 sec | |
| 3Kg | 50 Hz | 1 : 8 | 0.99 sec |
| 60 Hz | 1 : 10 | 1.05 sec | |
| 3.5Kg | 50 Hz | 1 : 8 | 0.99 sec |
| 60 Hz | 1 : 10 | 1.05 sec | |
| 4Kg | 50 Hz | 1 : 8 | 0.99 sec |
| 60 Hz | 1 : 10 | 1.05 sec |
| 刀具重量 / 双边负载 | 马达频率 | 1/3 HP 适用马达速比 | ATC 换刀时间 |
|---|---|---|---|
| 1.5Kg | 50 Hz | 1 : 8 | 0.99 sec |
| 60 Hz | 1 : 8 | 0.84 sec | |
| 2Kg | 50 Hz | 1 : 8 | 0.99 sec |
| 60 Hz | 1 : 8 | 0.84 sec | |
| 2.5Kg | 50 Hz | 1 : 8 | 0.99 sec |
| 60 Hz | 1 : 10 | 1.05 sec | |
| 3Kg | 50 Hz | 1 : 8 | 0.99 sec |
| 60 Hz | 1 : 10 | 1.05 sec | |
| 3.5Kg | 50 Hz | 1 : 8 | 0.99 sec |
| 60 Hz | 1 : 10 | 1.05 sec | |
| 4Kg | 50 Hz | 1 : 10 | 1.24 sec |
| 60 Hz | 1 : 10 | 1.05 sec |
| 刀具重量 / 双边负载 | 马达频率 | 1/3 HP 适用马达速比 | ATC 换刀时间 |
|---|---|---|---|
| 1.5Kg | 50 Hz | 1 : 8 | 0.99 sec |
| 60 Hz | 1 : 8 | 0.84 sec | |
| 2Kg | 50 Hz | 1 : 8 | 0.99 sec |
| 60 Hz | 1 : 10 | 1.05 sec | |
| 2.5Kg | 50 Hz | 1 : 8 | 0.99 sec |
| 60 Hz | 1 : 10 | 1.05 sec | |
| 3Kg | 50 Hz | 1 : 8 | 0.99 sec |
| 60 Hz | 1 : 10 | 1.05 sec | |
| 3.5Kg | 50 Hz | 1 : 10 | 1.24 sec |
| 60 Hz | 1 : 10 | 1.05 sec | |
| 4Kg | 50 Hz | 1 : 10 | 1.24 sec |
| 60 Hz | 1 : 12 | 1.25 sec |
| 刀具重量 / 双边负载 | 马达频率 | 1/3 HP 适用马达速比 | ATC 换刀时间 |
|---|---|---|---|
| 1.5Kg | 50 Hz | 1 : 8 | 0.99 sec |
| 60 Hz | 1 : 10 | 1.05 sec | |
| 2Kg | 50 Hz | 1 : 8 | 0.99 sec |
| 60 Hz | 1 : 10 | 1.05 sec | |
| 2.5Kg | 50 Hz | 1 : 10 | 1.24 sec |
| 60 Hz | 1 : 10 | 1.05 sec | |
| 3Kg | 50 Hz | 1 : 10 | 1.24 sec |
| 60 Hz | 1 : 12 | 1.25 sec | |
| 3.5Kg | 50 Hz | 1 : 10 | 1.24 sec |
| 60 Hz | 1 : 12 | 1.25 sec | |
| 4Kg | 50 Hz | 1 : 10 | 1.24 sec |
| 60 Hz | 1 : 12 | 1.25 sec |