Outline Drawing
ContRoller-Types
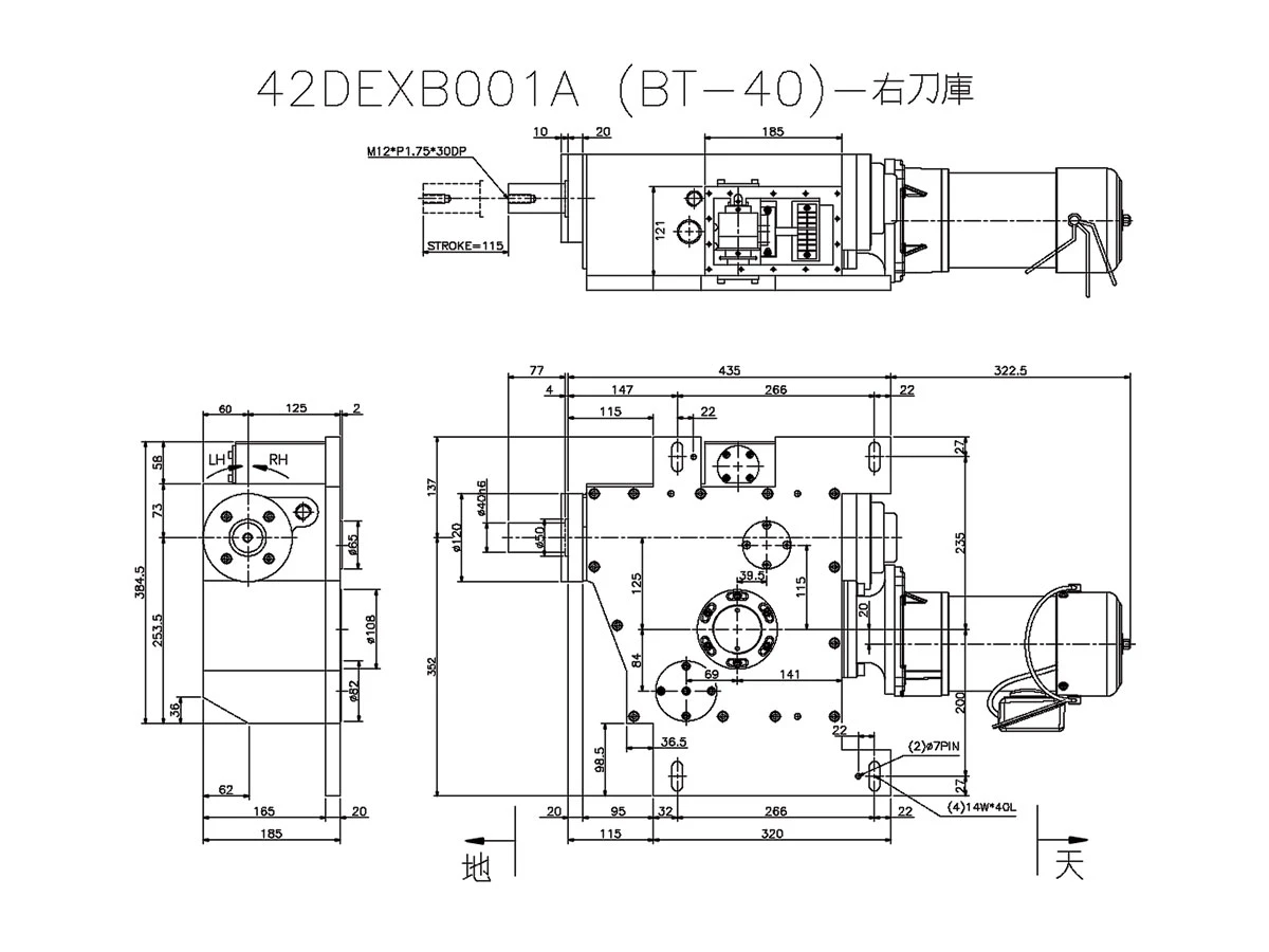
| Part Number | 42DEXB001A (BT-40)-Magazine on the right |
|---|---|
| Time Interval For Cutter | Please refer to the A402 speed ratio loading table |
| Tool Buckling Angles | 60°~90°(based on customer requirements) |
| Cutter Pulling Strokechange | 115mm-MAX(We can customize strokes according to different types of tool holders) |
| Maximum Loading | 7kg |
| Signal Specifications | Proximity Switch PNP-NOx3~4 |
| Driving Horse Power | 3/4HP |
| Weight Of The Product | 115kg |
| Accuracy |
Overlapping accuracy 4" Horizontal Accuracy 0.2mm |
A402 Instant Loading Diagram
Tool Change Arm T-to-T Distance/ Tool Arm Weight Reference
| Tool Weight Bilateral Loading of Tools |
Motor Frequency | Compatible with 3/4HP motors |
ATC Time Interval For Cutter |
|---|---|---|---|
| 4Kg*2 | 50Hz | 1:7 | 1.36 sec |
| 60Hz | 1:7 | 1.14 sec | |
| 5Kg*2 | 50Hz | 1:7 | 1.36 sec |
| 60Hz | 1:7 | 1.14 sec | |
| 6Kg*2 | 50Hz | 1:7 | 1.36 sec |
| 60Hz | 1:7 | 1.14 sec | |
| 7Kg*2 | 50Hz | 1:7 | 1.36 sec |
| 60Hz | 1:7 | 1.14 sec |
| Tool Weight Bilateral Loading of Tools |
Motor Frequency | Compatible with 3/4HP motors |
ATC Time Interval For Cutter |
|---|---|---|---|
| 4Kg*2 | 50Hz | 1:7 | 1.36 sec |
| 60Hz | 1:7 | 1.14 sec | |
| 5Kg*2 | 50Hz | 1:7 | 1.36 sec |
| 60Hz | 1:7 | 1.14 sec | |
| 6Kg*2 | 50Hz | 1:7 | 1.36 sec |
| 60Hz | 1:7 | 1.14 sec | |
| 7Kg*2 | 50Hz | 1:7 | 1.36 sec |
| 60Hz | 1:7 | 1.14 sec |
| Tool Weight Bilateral Loading of Tools |
Motor Frequency | Compatible with 3/4HP motors |
ATC Time Interval For Cutter |
|---|---|---|---|
| 4Kg*2 | 50Hz | 1:7 | 1.36 sec |
| 60Hz | 1:7 | 1.14 sec | |
| 5Kg*2 | 50Hz | 1:7 | 1.36 sec |
| 60Hz | 1:7 | 1.14 sec | |
| 6Kg*2 | 50Hz | 1:7 | 1.36 sec |
| 60Hz | 1:7 | 1.14 sec | |
| 7Kg*2 | 50Hz | 1:7 | 1.36 sec |
| 60Hz | 1:7 | 1.14 sec |
| Tool Weight Bilateral Loading of Tools |
Motor Frequency | Compatible with 3/4HP motors |
ATC Time Interval For Cutter |
|---|---|---|---|
| 4Kg*2 | 50Hz | 1:7 | 1.36 sec |
| 60Hz | 1:7 | 1.14 sec | |
| 5Kg*2 | 50Hz | 1:7 | 1.36 sec |
| 60Hz | 1:7 | 1.14 sec | |
| 6Kg*2 | 50Hz | 1:7 | 1.36 sec |
| 60Hz | 1:7 | 1.14 sec | |
| 7Kg*2 | 50Hz | 1:7 | 1.36 sec |
| 60Hz | 1:8 | 1.31 sec |
| Tool Weight Bilateral Loading of Tools |
Motor Frequency | Compatible with 3/4HP motors |
ATC Time Interval For Cutter |
|---|---|---|---|
| 4Kg*2 | 50Hz | 1:7 | 1.36 sec |
| 60Hz | 1:7 | 1.14 sec | |
| 5Kg*2 | 50Hz | 1:7 | 1.36 sec |
| 60Hz | 1:7 | 1.14 sec | |
| 6Kg*2 | 50Hz | 1:7 | 1.36 sec |
| 60Hz | 1:8 | 1.31 sec | |
| 7Kg*2 | 50Hz | 1:7 | 1.36 sec |
| 60Hz | 1:8 | 1.31 sec |
Tool Change Arm T-to-T Distance/ Tool Arm Weight Reference
| Tool Weight Bilateral Loading of Tools |
Motor Frequency | Compatible with 3/4HP motors |
ATC Time Interval For Cutter |
|---|---|---|---|
| 4Kg*2 | 50Hz | 1:7 | 1.36 sec |
| 60Hz | 1:7 | 1.14 sec | |
| 5Kg*2 | 50Hz | 1:7 | 1.36 sec |
| 60Hz | 1:8 | 1.31 sec | |
| 6Kg*2 | 50Hz | 1:7 | 1.36 sec |
| 60Hz | 1:8 | 1.31 sec | |
| 7Kg*2 | 50Hz | 1:7 | 1.36 sec |
| 60Hz | 1:8 | 1.31 sec |
| Tool Weight Bilateral Loading of Tools |
Motor Frequency | Compatible with 3/4HP motors |
ATC Time Interval For Cutter |
|---|---|---|---|
| 4Kg*2 | 50Hz | 1:7 | 1.36 sec |
| 60Hz | 1:7 | 1.14 sec | |
| 5Kg*2 | 50Hz | 1:7 | 1.36 sec |
| 60Hz | 1:8 | 1.31 sec | |
| 6Kg*2 | 50Hz | 1:7 | 1.36 sec |
| 60Hz | 1:8 | 1.31 sec | |
| 7Kg*2 | 50Hz | 1:8 | 1.55 sec |
| 60Hz | 1:9 | 1.47 sec |
| Tool Weight Bilateral Loading of Tools |
Motor Frequency | Compatible with 3/4HP motors |
ATC Time Interval For Cutter |
|---|---|---|---|
| 4Kg*2 | 50Hz | 1:7 | 1.36 sec |
| 60Hz | 1:8 | 1.31 sec | |
| 5Kg*2 | 50Hz | 1:7 | 1.36 sec |
| 60Hz | 1:8 | 1.31 sec | |
| 6Kg*2 | 50Hz | 1:7 | 1.36 sec |
| 60Hz | 1:9 | 1.47 sec | |
| 7Kg*2 | 50Hz | 1:8 | 1.55 sec |
| 60Hz | 1:9 | 1.47 sec |
| Tool Weight Bilateral Loading of Tools |
Motor Frequency | Compatible with 3/4HP motors |
ATC Time Interval For Cutter |
|---|---|---|---|
| 4Kg*2 | 50Hz | 1:7 | 1.36 sec |
| 60Hz | 1:8 | 1.31 sec | |
| 5Kg*2 | 50Hz | 1:7 | 1.36 sec |
| 60Hz | 1:8 | 1.31 sec | |
| 6Kg*2 | 50Hz | 1:8 | 1.55 sec |
| 60Hz | 1:9 | 1.47 sec | |
| 7Kg*2 | 50Hz | 1:8 | 1.55 sec |
| 60Hz | 1:9 | 1.47 sec |
| Tool Weight Bilateral Loading of Tools |
Motor Frequency | Compatible with 3/4HP motors |
ATC Time Interval For Cutter |
|---|---|---|---|
| 4Kg*2 | 50Hz | 1:7 | 1.36 sec |
| 60Hz | 1:9 | 1.47 sec | |
| 5Kg*2 | 50Hz | 1:8 | 1.55 sec |
| 60Hz | 1:9 | 1.47 sec | |
| 6Kg*2 | 50Hz | 1:8 | 1.55 sec |
| 60Hz | 1:9 | 1.47 sec | |
| 7Kg*2 | 50Hz | 1:8 | 1.55 sec |
| 60Hz | 1:9 | 1.47 sec |
Tool Change Arm T-to-T Distance/ Tool Arm Weight Reference
| Tool Weight Bilateral Loading of Tools |
Motor Frequency | Compatible with 3/4HP motors |
ATC Time Interval For Cutter |
|---|---|---|---|
| 4Kg*2 | 50Hz | 1:7 | 1.36 sec |
| 60Hz | 1:9 | 1.47 sec | |
| 5Kg*2 | 50Hz | 1:8 | 1.55 sec |
| 60Hz | 1:9 | 1.47 sec | |
| 6Kg*2 | 50Hz | 1:8 | 1.55 sec |
| 60Hz | 1:9 | 1.47 sec | |
| 7Kg*2 | 50Hz | 1:8 | 1.55 sec |
| 60Hz | 1:10 | 1.64 sec |
| Tool Weight Bilateral Loading of Tools |
Motor Frequency | Compatible with 3/4HP motors |
ATC Time Interval For Cutter |
|---|---|---|---|
| 4Kg*2 | 50Hz | 1:8 | 1.55 sec |
| 60Hz | 1:9 | 1.47 sec | |
| 5Kg*2 | 50Hz | 1:8 | 1.55 sec |
| 60Hz | 1:9 | 1.47 sec | |
| 6Kg*2 | 50Hz | 1:9 | 1.75 sec |
| 60Hz | 1:10 | 1.64 sec | |
| 7Kg*2 | 50Hz | 1:9 | 1.75 sec |
| 60Hz | 1:10 | 1.64 sec |
| Tool Weight Bilateral Loading of Tools |
Motor Frequency | Compatible with 3/4HP motors |
ATC Time Interval For Cutter |
|---|---|---|---|
| 4Kg*2 | 50Hz | 1:8 | 1.55 sec |
| 60Hz | 1:10 | 1.64 sec | |
| 5Kg*2 | 50Hz | 1:9 | 1.75 sec |
| 60Hz | 1:10 | 1.64 sec | |
| 6Kg*2 | 50Hz | 1:9 | 1.75 sec |
| 60Hz | 1:12 | 1.96 sec | |
| 7Kg*2 | 50Hz | 1:10 | 1.94 sec |
| 60Hz | 1:12 | 1.96 sec |
| Tool Weight Bilateral Loading of Tools |
Motor Frequency | Compatible with 3/4HP motors |
ATC Time Interval For Cutter |
|---|---|---|---|
| 4Kg*2 | 50Hz | 1:9 | 1.75 sec |
| 60Hz | 1:12 | 1.96 sec | |
| 5Kg*2 | 50Hz | 1:10 | 1.94 sec |
| 60Hz | 1:12 | 1.96 sec | |
| 6Kg*2 | 50Hz | 1:10 | 1.94 sec |
| 60Hz | 1:12 | 1.96 sec | |
| 7Kg*2 | 50Hz | 1:12 | 2.33 sec |
| 60Hz | 1:15 | 2.45 sec |
| Tool Weight Bilateral Loading of Tools |
Motor Frequency | Compatible with 3/4HP motors |
ATC Time Interval For Cutter |
|---|---|---|---|
| 4Kg*2 | 50Hz | 1:10 | 1.94 sec |
| 60Hz | 1:12 | 1.96 sec | |
| 5Kg*2 | 50Hz | 1:12 | 2.33 sec |
| 60Hz | 1:12 | 1.96 sec | |
| 6Kg*2 | 50Hz | 1:12 | 2.33 sec |
| 60Hz | 1:15 | 2.45 sec | |
| 7Kg*2 | 50Hz | 1:12 | 2.33 sec |
| 60Hz | 1:15 | 2.45 sec |
BT40 Series Related Products
Need Inquire ?
If you need more information or quotation about this product, Our sales representative will reply as soon as possible