| 规格 | |
|---|---|
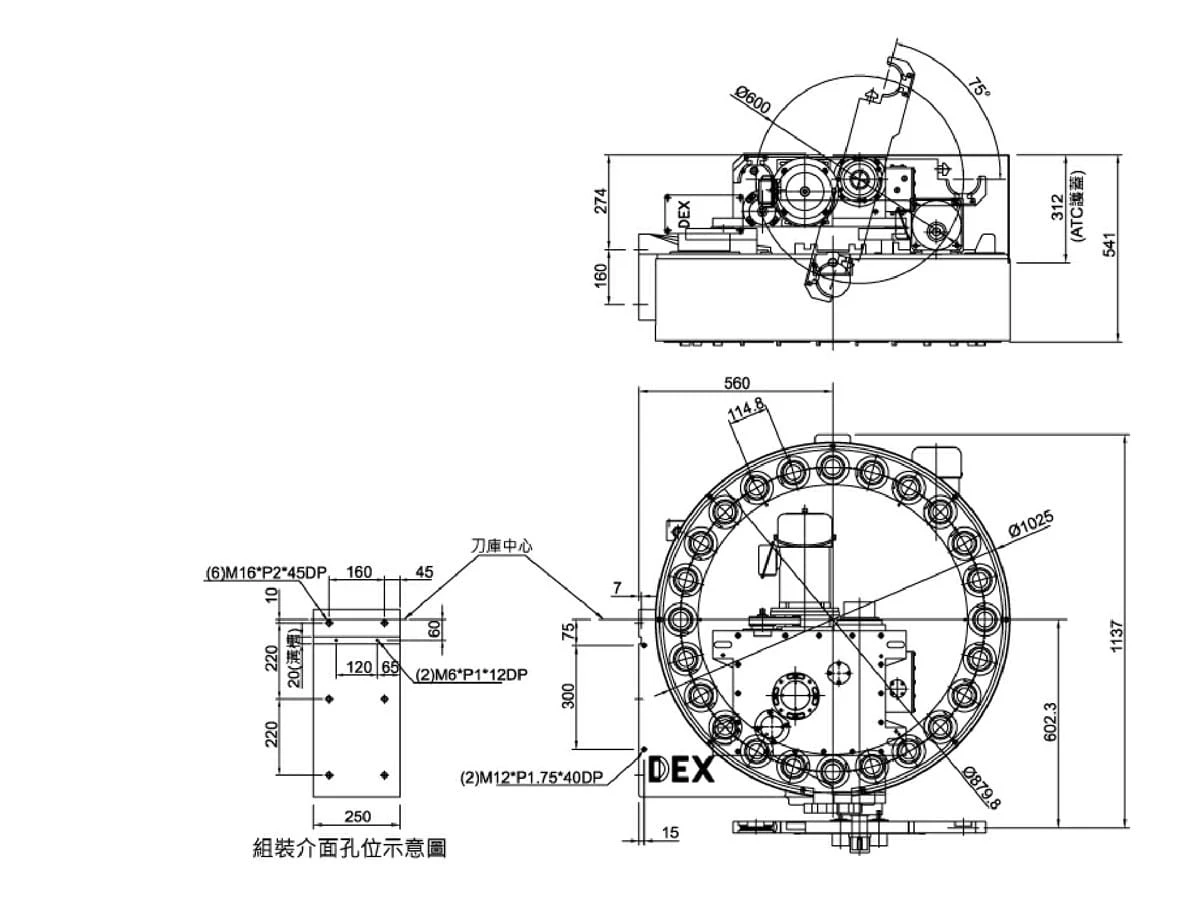
| 刀臂长度 | 600 / 700 / 800 mm |
| 刀具规格 | BT / CAT / DIN / HSK100A |
| 刀数 | 24T / 30T |
| 最大刀长 | 350 mm |
| 最大刀径 | Ø120 mm |
| 最大刀重 | 16 kg |
| 驱动电源 | Ø3-220V/380V |
| 空气压源 | 4.5-8 kg/cm |
| 换刀速度 (仅ATC) | T to T: 1.95~2.15 sec |
| 规格 | |
|---|---|
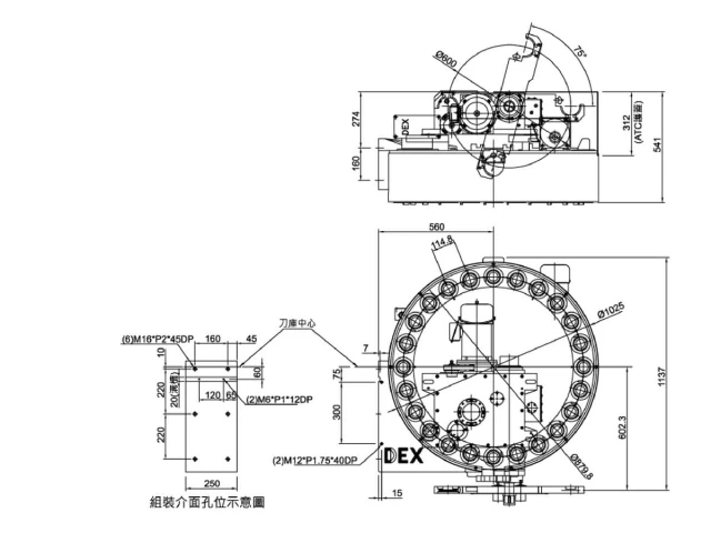
| 刀臂长度 | 600 / 700 / 800 mm |
| 刀具规格 | BT / CAT / DIN / HSK100A |
| 刀数 | 24T / 30T |
| 最大刀长 | 350 mm |
| 最大刀径 | Ø120 mm |
| 最大刀重 | 16 kg |
| 驱动电源 | Ø3-220V/380V |
| 空气压源 | 4.5-8 kg/cm |
| 换刀速度 (仅ATC) | T to T: 1.95~2.15 sec |