40-right-mag

Almacén de herramientas ATC

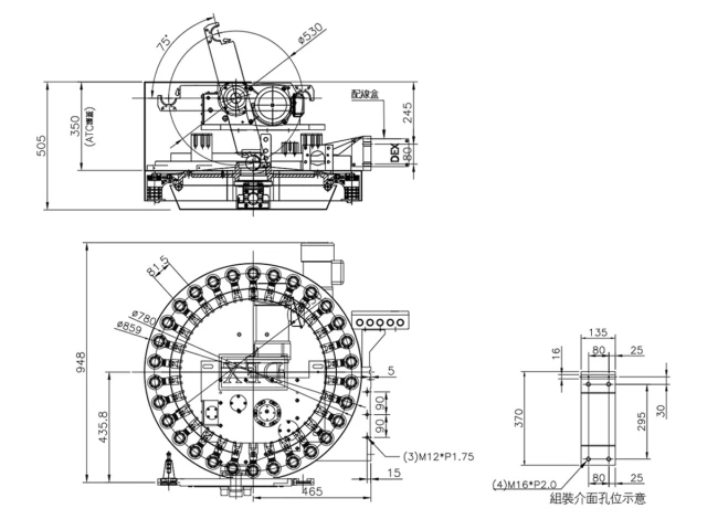
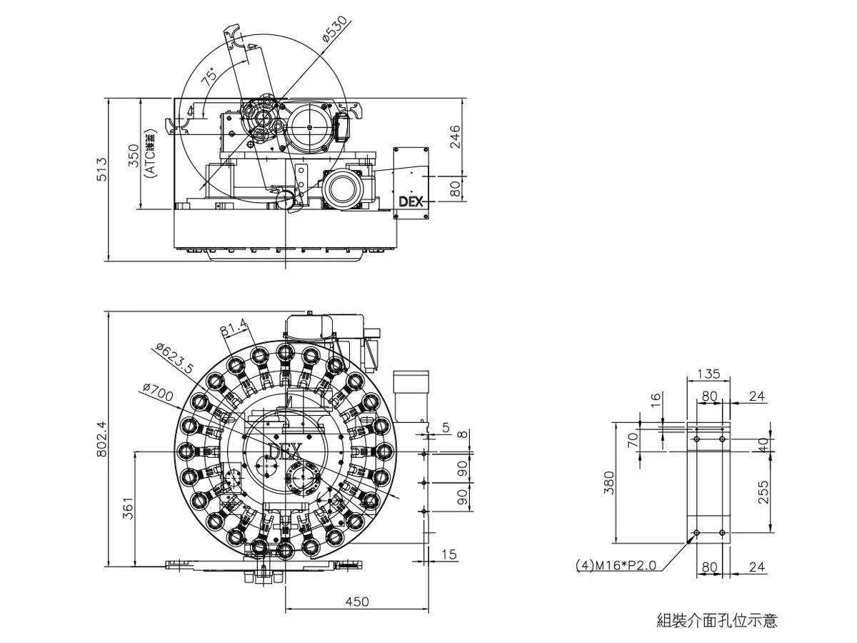
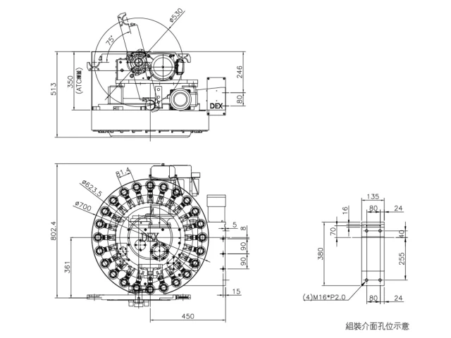
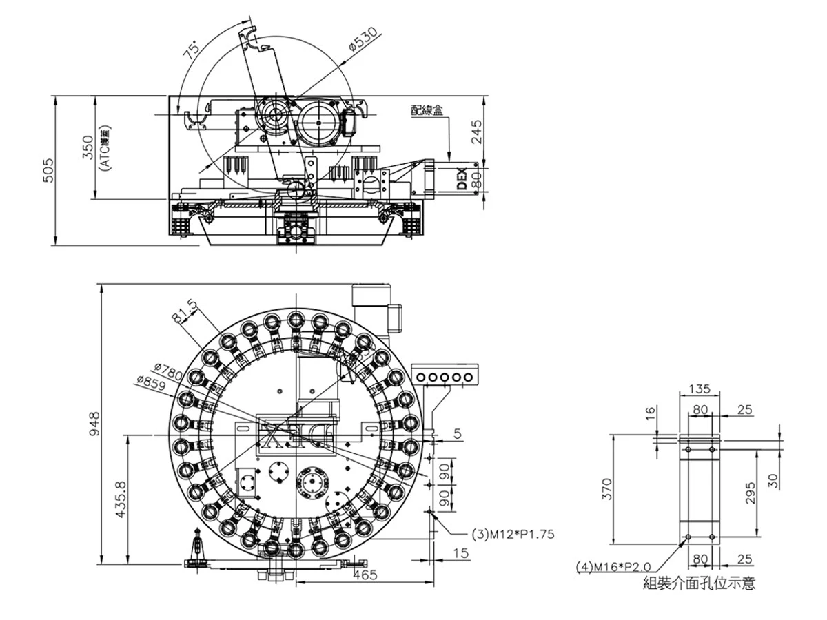
40# Almacén de herramientas de tipo disco (Almacén Derecho)24T/30T Almacén de herramientas de tipo disco

Planos de tamaño
Especificaciones
Longitud del brazo de la herramienta 480 / 530 / 580 / 650 / 700 / 750 mm
Modelos de herramientas BT / CAT / DIN / HSK63A
Capacidad de la herramienta 24T/30T
Longitud máxima de la herramienta 300 mm
Diámetro máximo de la herramienta Ø80 mm
Peso máximo de la herramienta 7 kg
Fuente de impulsión 220V/380V
Presión neumática 4.5-8 kg/cm
Tiempo de cambio de herramienta (ATC) Póngase en contacto con el departamento de ventas de Dex

¿Necesitas consultar?

Si tiene alguna pregunta, utilice el formulario de contacto y póngase en contacto con nosotros.