left-mag

Almacén de herramientas ATC

40# Almacén de herramientas de tipo disco (Almacén izquierdo)20T Almacén de herramientas de tipo disco

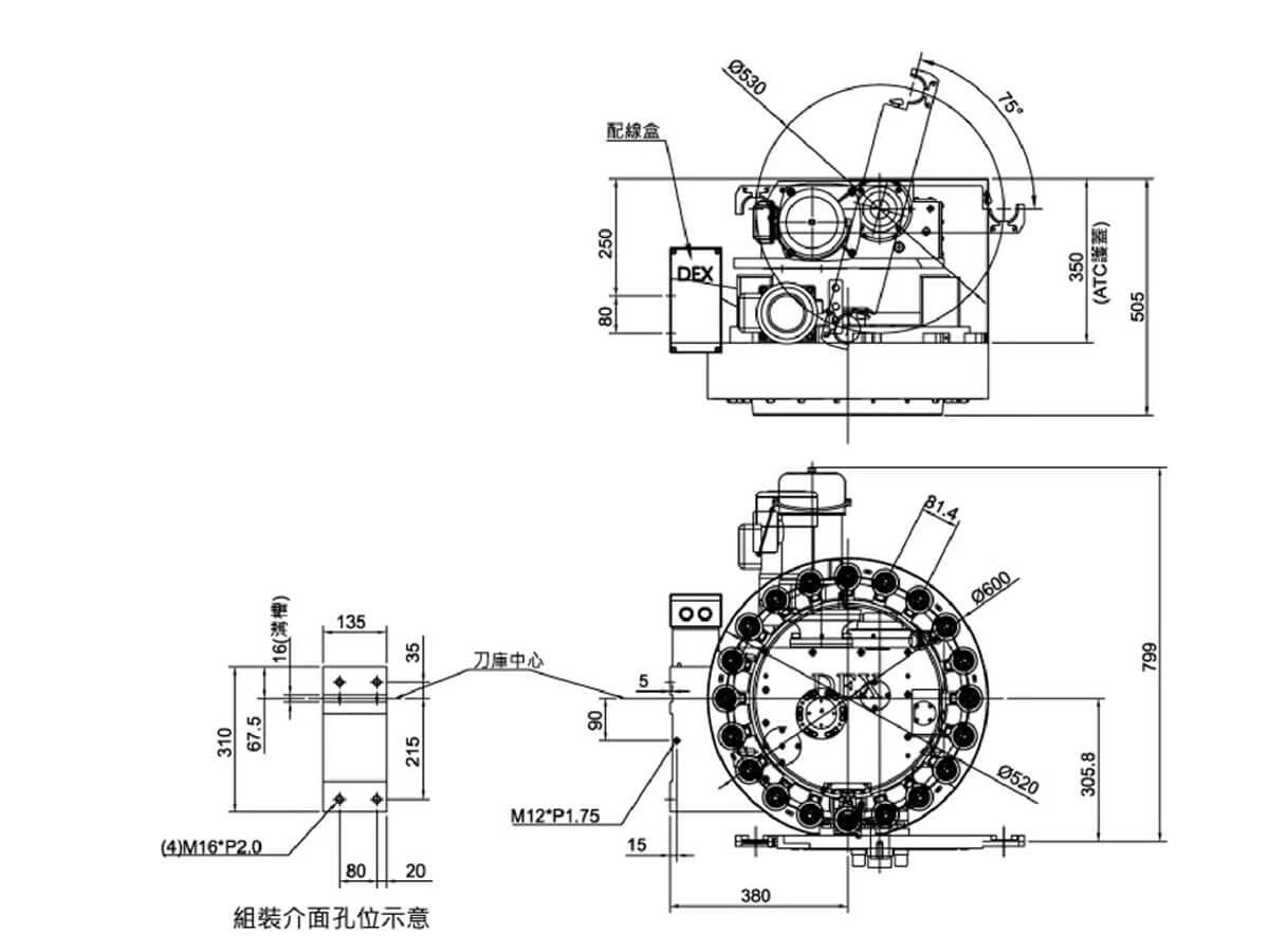
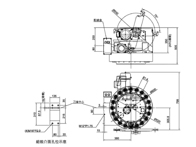
Planos de tamaño
Specifications
Tool Arm Length 480 / 530 / 580 / 650 mm
Tool Models BT / CAT / DIN / HSK63A
Tool Capacity 20T
Maximum Tool Length 300 mm
Maximum Tool Diameter Ø80 mm
Maximum Tool Weight 8 kg
Drive Source Ø3-220V/380V
Pneumatic Pressure 4.5-8 kg/cm
Tool Change Time (ATC) T to T: 1.3~1.5 sec

40# Almacén de herramientas de tipo disco (Almacén izquierdo) Productos relacionados

¿Necesitas consultar?

Si tiene alguna pregunta, utilice el formulario de contacto y póngase en contacto con nosotros.